LH001-55:压力变送器方案
压力传感器是工业实践、仪器仪表控制中较为常用的一种传感器,并广泛应用于各种工业自控环境,涉及水利水电、铁路交通、生产自控、航空航天、军工、石化、油井、电力、船舶、机床、管道等众多行业。目前,压力传感器在医疗行业应用中也有着明显提升,如精度、可靠性、稳定性、体积等参数较以往都取得了突破发展,并在呼吸器械、输液泵、压力泵、诊断器械和多种监护仪中扮演着关键角色,压力传感器助推医疗数字化进程。什么是压力传感器呢? 压力传感器是指能按照一定的规律将压力信号转换成可用、可输出的电信号的器件或装置,通常由压力敏感元件和信号处理单元组成。它主要是由测压元件传感器、测量电路与过程连接件等组成的(进气压力传感器)。压力传感器市场调研显示,在全球市场中,压力传感器在传感器整体市场中的份额占比在20%左右,仅次于流量传感器,是第二大传感器产品类型。全球压力MEMS市场达到16.85亿美元,由于新冠疫情,预计到2020年将略微降至16.45亿美元。到2026年,整个市场预计将增长至22.14亿美元,复合年增长率为4%。ADC(模数转换器)作为工控测量系统的核心部件,负责将压力传感器的模拟信号进行模数转换后,送给主控MCU进行校正等一系列的处理。
图1压力变送器方案
LH001-55压力变送器方案
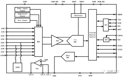
领慧立芯推出的LH001-55, 是一款低噪声 24 位Σ△ADC,提供完整的高分辨率测量解决方案。最高有效位达(ENOB)可达到23位。集成多路选择 MUX 和增益可调 PGA,可灵活处理差分或单端信号。可编程滤波器允许用户在分辨率和输出速率之间做最优的选择。芯片内部集成了可编程激励电流源以及温度传感器。同时集成了 12 位电压输出型 DAC。4-线SPI 接口,支持菊花链扩展多路 ADC 实现同时采样。图2位芯片的结构框图。该芯片还有一个亮点就是在正电源电压的条件下可以精准测量小于-0.1V的绝对负压信号。
图2结构框图
图3是LH001-55的评估板,主要是由AFE(LH001-55), 通用MCU等组成。领慧立芯提供全套的软件演示方案。演示程序可以执行采样ADC输入信号,将数据通过1500000串口波特率发送。使用串口调试助手可以读取数据。数据格式为:通道,ADC CODE, 电压(mV),例程同时还有DAC和电流源输出。

图3 LH001-55 评估板

图4 压力变送器应用实例
LH001-55的关键指标
低噪声可编程增益放大器(PGA)和高分辨率 24 位模数转换器(ADC)
−最高有效精度(ENOB)23位
−可编程增益:1/2/4/6/8/12/24/48
− 4 路差分输入或者 8 路单端输入
− 支持增益误差、失调误差自校准
− 最大积分非线性:13 PPM/FS
− 可编程输出速率:2.5SPS-30kSPS
− 连续采样模式:525µ A
− 休眠电流:0.2 μA
12 位电压输出型数模转换器(DAC)
− 输出范围:0~2.5V
− 支持最大电阻负载 1kΩ,电容负载 200pF
集成温度传感器
集成两路可编程激励电流源:
− 100nA/50μA/100μA/250μA/500μA/ 750μA/1mA
内置16MHz振荡器,±3%精度
电源
− 模拟:2.4V 至 3.6V
− 数字:1.7V 至 3.6V
